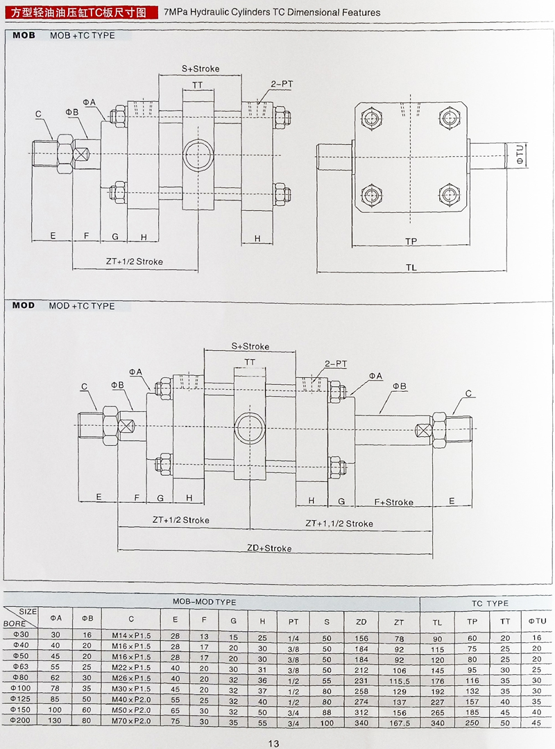
液壓油缸
推薦新聞
- 飛翼車故障解決秘籍:飛翼無法下降的實用診斷與解決方案
- 全面解析:飛翼車液壓系統維修指南與故障排除技巧
- 液壓油缸主要組成部分詳解與功能分析
- 單向液壓油缸標準化維修技術規程(2025年行業合規修訂版)
- 液壓系統保養時注意事項有哪些?
- 液壓站的作用是什么?使用場景有哪些?
- 液壓系統中出現振動和噪音是什么原因造成的?
- 工程油缸的原理與應用在使用的情況
- 常見的液壓油缸制作與應用情況
- 不銹鋼油缸的保養和維護指南大全
聯系我們
手機:0533-3142858
電話:18615115678
郵箱:sdgl2858@126.com
地址:山東淄博市張店區灃水鎮東高村工業園













客服QQ