
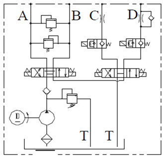
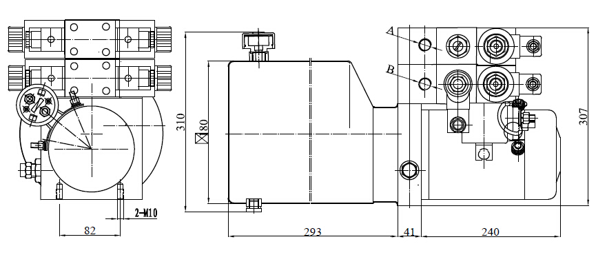
1.液壓系統壓力: 200bar
2.液壓油箱體積:5L
3.液壓泵排量:1.6cc/r
4.電機功率:1.6KW ;DC 12/24V
5.電機轉速:2500r/min
6.功能:雙作用和單作用
7.顏色:默認紅色/白色塑料
8.安裝方式:臥式
9.油箱材料:鐵皮(1-1,5mm),工程塑料
10.應用場合: 掃雪

**為電磁換向閥電壓
手機:0533-3142858
電話:18615115678
郵箱:sdgl2858@126.com
地址:山東淄博市張店區灃水鎮東高村工業園
廠家品牌:山東國立液壓
公司模式:生產廠家
加工方式:來圖定制
銷售批量:一臺
產品價格:在線報價
產品簡介:
銷售區域:江蘇,山東,廣東,浙江,安徽,河北,河南,四川,遼寧,湖北,蘇州,深圳,杭州,北京,無錫,成都,濟南,鄭州,上海,青島,臺州
產品標簽:

1.液壓系統壓力: 200bar
2.液壓油箱體積:5L
3.液壓泵排量:1.6cc/r
4.電機功率:1.6KW ;DC 12/24V
5.電機轉速:2500r/min
6.功能:雙作用和單作用
7.顏色:默認紅色/白色塑料
8.安裝方式:臥式
9.油箱材料:鐵皮(1-1,5mm),工程塑料
10.應用場合: 掃雪

**為電磁換向閥電壓

